| Sign In | Join Free | My wneducation.com | 
 | 
Brand Name : TOKEN
Model Number : TBC- A02
Certification : CE;ROHS
Place of Origin : CHINA
MOQ : 10pcs
Price : Price Reconsideration
Supply Ability : 2.2K pcs per month
Packaging Details : Little Carton Size:34*23*21CM;240pcs/Carton ;Large Carton Size:48*37*26CM;480pcs/Carton
application : Uninterruptible Power Supplies
Mounting Type : PCB Mounting
Principle : null balance
Standard : high precision
product name : Hall Effect Current Sensor
Operating temperature : -40~+85
The TBC- A02 series current sensor is a closed loop device based on the measuring principle of the hall effect and null balance method, with a galvanic isolation between primary and secondary circuit. It provides accurate electronic measurement of DC, AC or pulsed currents.
| Electrical data(Ta=25℃±5℃) | 
| Type 
 | TBC0.5A02 | TBC1.0A02 | TBC2.0A02 | TBC5.0A02 | TBC10A02 | TBC20A02 | 
 Unit | 
| Rated input (Ipn) | 0.5 | 1 | 2 | 5 | 10 | 20 | A | 
| Measure range(Ip) | 1.5 | 3.0 | 6 | 15 | 30 | 60 | A | 
| Turns ratio(Np/Ns) | 30:1500 | 15:1500 | 8:1600 | 3:1500 | 2:2000 | 1:2000 | T | 
| Internal measuring resister | 400±0.1% | 400±0.1% | 400±0.1% | 400±0.1% | 400±0.1% | 400±0.1% | Ω | 
| Rated output voltage | @ Ip=±Ipn ±4±0.5% | V | |||||
| Supply voltage | ±15 ±5% | V | |||||
| Power consumption | ≤20+IpX(Np/Ns) | mA | |||||
| Zero offset voltage | @ Ip=0 ≤±20 | mV | |||||
| Offset voltage drift | @-40 to +85℃ ≤±0.5 | mV/℃ | |||||
| Linearity | @ Ip=0-±Ipn ≤0.1 | %FS | |||||
| Response time | @100A/μS,10%-90% ≤1 | μS | |||||
| Galvanic isolation | @ 50HZ,AC,1min 2.5 | KV | |||||
| Applications | 
AC variable speed drives and servo motor drives
Static converters for DC motor drives
Variable speed drives
Power supplies for welding applications
Battery supplied applications
Uninterruptible Power Supplies (UPS)
Switched Mode Power Supplies(SMPS)
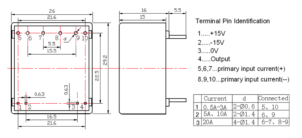
| Mechanical dimension(for reference only) | 

Remarks:
1. All dimensions are in mm.
2. General tolerance ±1mm.
| Directions for use | 
When the current will be measured goes through a sensor, the voltage will be measured at the output end.
(Note: The false wiring may result in the damage of the sensor).
Custom design in the different rated input current and the output voltage are available.
| Standards | 
| General date | 
| Value | Unit | Symbol | |
| Operating temperature | -40 to +85 | ºC | TA | 
| Storage temperature | -40 to +125 | ºC | TS | 
| Mass(approx) | 21 | g | M | 
| Characteristics chart | 
Pulse current signal response characteristic Effects of impulse noise

Input current-Output Voltage characteristic

|   | 
| UPS SMPS Closed Loop Hall Effect Current Sensor 2000a Measure Range Images | 
 PCB Mounting Closed Loop Hall Effect Current Sensor For DC Motor Drives
                                                                                    
                        
                        
                        
                                                            PCB Mounting Closed Loop Hall Effect Current Sensor For DC Motor Drives
                                                    
                        
                     0.5% Accuracy Closed Loop Current Sensor For Electromagnetic Heater And Filter
                                                                                    
                        
                        
                        
                                                            0.5% Accuracy Closed Loop Current Sensor For Electromagnetic Heater And Filter
                                                    
                        
                     Null Balance Closed Loop Hall Effect Current Sensor High Precision TBC1000LF
                                                                                    
                        
                        
                        
                                                            Null Balance Closed Loop Hall Effect Current Sensor High Precision TBC1000LF
                                                    
                        
                     AC DC Pulse Current High Frequency Current Sensor Closed Loop Current Transducer
                                                                                    
                        
                        
                        
                                                            AC DC Pulse Current High Frequency Current Sensor Closed Loop Current Transducer
                                                    
                        
                     Input Current 10-1000A Closed Loop Hall Effect Sensor Low Current Hall Effect
                                                                                    
                        
                        
                        
                                                            Input Current 10-1000A Closed Loop Hall Effect Sensor Low Current Hall Effect
                                                    
                        
                     UPS SMPS Closed Loop Hall Effect Current Sensor 2000a Measure Range
                                                                                    
                        
                        
                        
                                                            UPS SMPS Closed Loop Hall Effect Current Sensor 2000a Measure Range
                                                    
                        
                     1000A Closed Loop Hall Effect Current Sensor / Blue Dc Current Sensor
                                                                                    
                        
                        
                        
                                                            1000A Closed Loop Hall Effect Current Sensor / Blue Dc Current Sensor
                                                    
                        
                     Multi Range Closed Loop Hall Effect Current Sensor Hall Effect High Current
                                                                                    
                        
                        
                        
                                                            Multi Range Closed Loop Hall Effect Current Sensor Hall Effect High Current
                                                    
                        
                     UPS SMPS Closed Loop Hall Effect Current Sensor 2000a Measure Range
                                                                                    
                        
                        
                        
                                                            UPS SMPS Closed Loop Hall Effect Current Sensor 2000a Measure Range
                                                    
                        
                     UPS SMPS Closed Loop Hall Effect Current Sensor 2000a Measure Range
                                                                                    
                        
                        
                        
                                                            UPS SMPS Closed Loop Hall Effect Current Sensor 2000a Measure Range